对夹蝶阀
阀门首页 > 产品展示 > 蝶阀 > 对夹蝶阀 > 






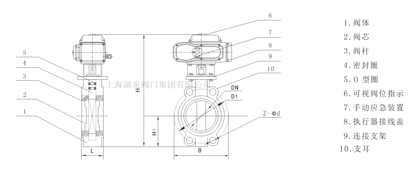
| 电动执行器技术参数 | D971X电动不锈钢蝶阀阀体参数 | ||
| 电 源 | AC110、220、380V/DC24、220V | 公称通径 | DN50~500mm |
| 输出力矩 | 50N·M~2000N·M | 公称压力 | PN1.0、1.6MPa |
| 任选功能 | 开关型、触点型、开度信号、智能型 | 阀轴材质 | 304/316/316L不锈钢 |
| 动作范围 | 0~90°(±5°) | 阀体材质 | 304/316/316L不锈钢 |
| 动作时间 | 15秒 / 30秒 / 60秒 | 阀板材质 | 304/316/316L不锈钢 、尼龙 |
| 环境温度 | -30℃~+60℃ | 阀座密封 | EPDM、NBR、耐磨橡胶 |
| 手动操作 | 附带手柄操作 | 结构形式 | 中线型、无销型 |
| 限 位 | 电气、机械二重限位 | 温 度 | EPDM≤80℃、NBR≤68℃ |
| 防护等级 | IP-67(防爆外壳:Exd Ⅱ BT4 IP67可选) | 适用介质 | 水、空气、天然气 |
| 输入信号 | 0-10,1-5VDC / 4-20mA(智能型) | 特 点 | 用途广、整体造价低、流量大、流阻小 |
| 公称通径DN | A | B | C | D | E | 额定功率 | 额定电流 |
| 压力 | 1.0/1.6 | 1.0/1.6 | 1.0/1.6 | 1.0/1.6 | 1.0/1.6 | ||
| 40 | 155 | 349 | 57 | 104 | 32 | 15W | 0.2A |
| 50 | 155 | 353 | 62 | 104 | 43 | 15W | 0.2A |
| 65 | 155 | 362 | 70 | 104 | 46 | 15W | 0.2A |
| 80 | 155 | 368 | 89 | 104 | 46 | 15W | 0.2A |
| 100 | 208 | 392 | 106 | 115 | 52 | 25W | 0.5A |
| 125 | 208 | 407 | 120 | 115 | 56 | 25W | 0.5A |
| 150 | 208 | 446 | 132 | 115 | 56 | 25W | 0.5A |
| 200 | 256 | 489 | 164 | 127 | 60 | 50W | 0.8A |
| 250 | 256 | 514 | 200 | 127 | 68 | 50W | 0.8A |
| 300 | 256 | 568 | 238 | 127 | 78 | 90W | 1.0A |
| 350 | 288 | 629 | 280 | 164 | 78 | 120W | 1.2A |
| 400 | 288 | 662 | 302 | 164 | 102 | 120W | 1.2A |
| 450 | 288 | 693 | 335 | 164 | 114 | 150W | 1.2A |
| 500 | 288 | 729 | 360 | 164 | 127 | 150W | 1.2A |

上一篇:D971X-16p dn150 耐磨不锈钢电动对夹蝶阀 / 下一篇:对夹式电动蝶阀dn50