电动执行器
阀门首页 > 产品展示 > 电动执行器 > 





DKZ型直行程电动执行机构可以与DDZ-Ⅲ型仪表配套使用,也可以与组装仪表及TA仪表配用。它以220V电源为动力,接受统一的标准信号 4-20mmA.DC,将此转变成与输入信号相对应的出轴直线位移,自动地操纵调节阀或其它终端机构等完成自动调节任务,或者配用电动操作器实行手动遥 控。广泛地用于发电厂、钢铁、石油、化工、轻工等工业部门的调节系统中。
该仪表具有连续调节、手动遥控、就地手操三种控制方式。使用DKZ型直行程电动执行机构的自动调节系统需配用ZPE-2030型伺服放大器、DFD-1000型电动操作器后才可实现自动调节系统手动自动无扰动切换。
| 项目名称 | DKZ标准型(不带H) | DKZ户外型(带H) | |
|---|---|---|---|
| 控制机构 | 输入信号 | 无 | |
| 反馈信号 | 0—10mAdc 4—20mAdc | ||
| 死区 | 0.4%—3% | 0.4%—3% | |
| 基本误差 | ±2.5% | ±2.5% | |
| 回差 | ≤1.5% | ≤1.5% | |
| 限位 | 开侧/闭侧 | 开侧/闭侧 | |
| 开度检测 | 精密导电塑料电位器 | 精密导电塑料电位器 | |
| 动力 | 动力 | 220V/50Hz | 220V/50Hz |
| 驱动电机 | 伺服电机 | 伺服电机 | |
| 附属机构 | 加热器 | 选择件 | 选择件 |
| 手动机构 | 手轮 | 手轮 | |
| 安装条件 | 环境温度 | 无加热器—25℃~+70℃ | 无加热器—25℃~+70℃ |
| 相对湿度 | <95% | <95% | |
| 环境气体 | 无腐蚀性气体 | 无腐蚀性气体 | |
| 接线口 | 十四线插头 | 接线柱 | |
| 防护等级 | IP65 | ||
| 型号 | 额定负载(N) | 额定行程 (mm) | 全行程时间 (S) | 额定电流(A) | 质量(Kg) |
|---|---|---|---|---|---|
| DKZ-310(H) | 4000 | 10 | 8 | 0.65 | 50 |
| 16 | 125 | ||||
| 25 | 20 | ||||
| 30 | 24 | ||||
| DKZ-410(H) | 6400 | 18 | 16 | 0.65 | 50 |
| 30 | 24 | ||||
| 40 | 32 | ||||
| 60 | 50 | ||||
| DKZ-510(H) | 16000 | 30 | 16 | 1.5 | 95 |
| 50 | 30 | ||||
| 60 | 40 | ||||
| 100 | 60 | ||||
| DKZ-610(H) | 25000 | 30 | 16 | 2.5 | 110 |
| 50 | 30 | ||||
| 60 | 40 | ||||
| 100 | 60 |


一、①直行程电动执行器产品名称与型号②直行程电动执行器口径③是否带附件以便我们的为您正确选型。
二、若已经由设计单位选定上海彩神购彩购彩大厅的直行程电动执行器型号,请按直行程电动执行器型号直接向我司销售部订购。
三、当使用的场合非常重要或环境比较复杂时,请您尽量提供设计图纸和详细参数,由我们的彩神购彩购彩大厅阀门专家为您审核把关。
感谢您访问我们的网站【http://www.bahiscinadresi.com/】,如有任何疑问.您可以致电给我们,我们一定会尽心尽力为您提供优质的服务
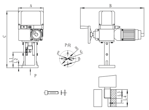
| 型号 | 长X宽X高 | 阀杆连接螺孔F | 法兰连接孔距E | 法兰连接孔距E | 法兰吻合内径G | 公称通径 | 连接头至法兰底端 | |
|---|---|---|---|---|---|---|---|---|
| AXBXC | Dg | 行程 | L | |||||
| DKZ310 | 230X460X490 |
M8 |
Φ80 |
2一Φ11 |
Φ60 | 25、32 | 10 | 85.5 |
| —— | 16 | 79.5 | ||||||
| 40、50 | 25 | 70.5 | ||||||
| DKZ410 | 230X530X540 | M12X1.25 | Φ105 | 4一Φ11 | Φ80 | 65、80、100 | 40 | 107 |
| 230X460X575 | M16X1.5 | Φ118 | 4一Φll | Φ95 | 125、150 | 60 | 112 | |
| DKZ510 | 260X630X625 | M16X1.5 | Φ118 | 4一Φll | Φ95 | 200 | 60 | 113 |
| 260X630X645 | M20X1.5 | Φ130 | 4一Φ18 | Φ100 | 300、250 | 100 | 93 | |
| DKZ610 | 260X720X625 | M16X1.5 | Φ118 | 4一Φ1l | Φ95 | 400、500 | 60 | 113 |
| 260X720X645 | M20X1.5 | Φ130 | 4一Φ18 | Φ100 | 500、600 | 100 | 93 | |

上一篇:DKJ/ZKJ角行程电动执行器(角行程电动执行机构) / 下一篇:西门子2SA3系列多回转电动执行机构