阀门知识
阀门首页 > 阀门知识 > 
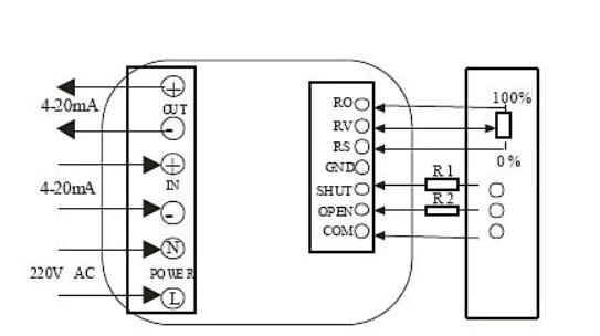
通过下面不同的接线图:
1、有源开关式,普通开关型带有源灯指示接线图
2、无源开关式,开关型无源触点型带反馈接线图
3、开度式电位计型,开关型带开度式接线图
4、智能调节式,输入输出4-20mA,智能调节型接线图
5、交流AC380V,带无源触点反馈,380V电源接线图


接线方式:三线制电动阀有F/R/N三条线,F代表正向动作(或者open动作)控制线,R代表反向动作(或者close动作)控制线,N代表地线。
特点:
结构十分简单,使用寿命。2.适用于几乎所有介质,粘度最大600mm2/s(厘斯)。3.耐高温、耐化学腐蚀。4.防爆费用低,
接线就明:
白线:电源共用端
红线:电动阀开电源
蓝线:电动阀关电源
绿线:信号反馈共用端
黄线:阀门关时输出信号电源(220V)
黑线:阀门开时输出信号电源(220V)
(黄与黑线根据需要选择,简单反馈只需接其中上根就好了)

如果是AC220V电源的,应该是7根线。1根公共线,1根开线,1根闭线,2根控制线,2根反馈线。如果是DC24V电源的,就是6根线。2根电源线,2根控制线,2根反馈线。
上一篇:热水管道应该用什么阀门比较好 / 下一篇:电动阀门的维护和保养要求有哪些